156R150FS
Carbon Steel Reduced Port Ball Valve, Flanged Ends, class 150, Fire Safe

DESIGN FEATURES
| Sizes | 1/2" - 6" | |
| Class | Figure | |
| Pressures | 150 | 156R150FS |
| Material | CF8M | |
| Ends | Flanged | |
| Trim | TFM 1600 Seats; Low-Emission Graphite Packing - 100ppm; NACE - MR0103; API 607 Fire-Safe Design | |
| Features | ABS Certified; Locking Device; ISO 5211 Mounting Pad; Anti-Static Device; Pressure Relief Vent on Ball; Lever & Worm Gear; Uni-body design | |


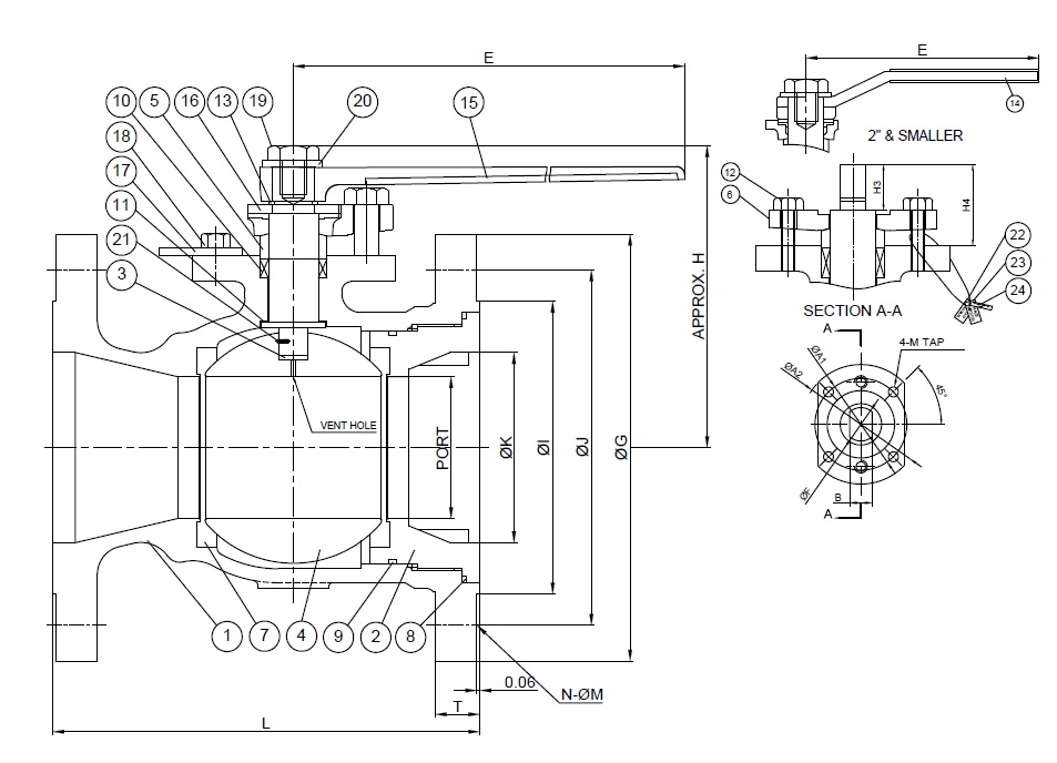
| NO | PART NAME | QTY | MATERIAL | REMARKS |
|---|---|---|---|---|
| 1 | BODY | 1 | A216-WCB | |
| 2 | INSERT | 1 | A216-WCB | |
| 3 | STEM | 1 | 17-4PH | |
| 4 | BALL | 1 | A351-CF8M | With Vent Hole |
| 5 | GLAND RING | 1 | A276-316 | |
| 6 | GLAND FLANGE | 1 | A351-CF8 | |
| 7 | SEAT RING | 2 | TFM1600 | |
| 8 | GASKET | 1 | GRAPHITE | |
| 9 | O-RING | 1 | HNBR | |
| 10 | GLAND PACKING | 1 | Teadit 2236+Expanded Graphite | |
| 11 | THRUST WASHER | 1 | RTFE | |
| 12 | GLAND BOLT | 1S | A193-B8 | |
| 13 | SNAP RING | 1 | A686-W1 | Ni Plated |
| 14 | VINYL COATED HANDLE | 1 | A283-D | 2" & SMALLER |
| 15 | HANDLE | 1 | A536 | 2 1/2" & LARGER |
| 16 | STOPPER | 1 | A240-304 | |
| 17 | LOCKING PLATE | 1 | AISI1020 | Zn Plated |
| 18 | LOCKING PLATE BOLT | 1S | A307-B | Zn Plated |
| 19 | TOP BOLT | 1 | A193-B8 | |
| 20 | TOP WASHER | 1 | A240-304 | |
| 21 | ANTI STATIC | 1 | A276-316L | |
| 22 | FIRE SAFE TAG | 1 | PVC | |
| 23 | NACE TAG | 1 | PVC | |
| 24 | LOW EMMISION TAG | 1 | SS |


| Size | PORT | ØK | L | E | H | ØI | ØJ | ØG | T | N-ØM | ØD | Ød | H1 | h1 | h2 | Weight (lbs) | CV (GPM) | Torque (lbf.in) |
|---|---|---|---|---|---|---|---|---|---|---|---|---|---|---|---|---|---|---|
| 1" | 0.748 | 0.984 | 4.937 | 5.1 | 2.598 | 2 | 3.12 | 4.29 | 0.472 | 4 - 0.625" | 0.669 | 0.433 | 0.354 | 0.127 | 0.09 | 7.71 | 28 | |
| 1 1/2" | 0.984 | 1.496 | 6.496 | 6.1 | 4.094 | 2.8 | 3.88 | 5 | 0.578 | 4 - 0.625" | 0.826 | 0.59 | 0.393 | 0.127 | 0.147 | 11 | 28 | 35 |
| 2" | 1.496 | 1.968 | 7 | 9.1 | 4.094 | 3.62 | 4.75 | 5.98 | 0.649 | 4 - 0.748" | 1.14 | 0.82 | 0.472 | 0.16 | 0.18 | 19.84 | 84 | 131 |
| 2 1/2" | 2 | 2.519 | 7.48 | 9.1 | 4.433 | 5.5 | 4.12 | 7 | 0.744 | 4 - 0.748" | 1.14 | 0.82 | 0.472 | 0.16 | 0.18 | 30.86 | 212 | 229 |
| 3" | 2.322 | 2.992 | 7.992 | 14.7 | 5.433 | 5 | 6 | 7.48 | 0.771 | 4 - 0.748" | 1.417 | 1.1 | 0.511 | 0.155 | 0.2 | 37.47 | 202 | 291 |
| 4" | 2.992 | 4.015 | 9.015 | 14.7 | 6.149 | 7.5 | 6.19 | 9.02 | 0.941 | 8 - 0.748" | 1.417 | 1.1 | 0.511 | 0.155 | 0.2 | 61.72 | 302 | 446 |
| 5" | 2.992 | 5 | 10 | 14.7 | 6.149 | 7.31 | 8.5 | 10 | 0.941 | 8 - 0.866" | 1.417 | 1.1 | 0.511 | 0.155 | 0.2 | 70.97 | 302 | 446 |
| 6" | 4.015 | 5.984 | 10.5 | 17.7 | 7.519 | 9.5 | 8.5 | 10.98 | 1.023 | 8 - 0.866" | 1.692 | 1.377 | 0.692 | 0.149 | 0.165 | 103.6 | 304 | 1362 |
NOTE: The information and data in this product data sheet is provided on this website as a general guide only. The information and data displayed are accurate to the best of our knowledge, and may be revised at any time without notice. Ohio Valve Company assumes no responsibility for the accuracy of this information as displayed on this website. Contact Ohio Valve Company directly for the most current product dimensional data and general assembly drawings.

OVC General Products Catalog
Created as a desktop reference manual, our OVC General Products catalog provides an in-depth look at our entire product line, complete with design details and the registration numbers needed to get accurate quotes with our sales team or buy online at iValco.com.
