256F150FS10
Carbon Steel Full Port Ball Valve, Flanged Ends, Class 150, Fire Safe

DESIGN FEATURES
| Sizes | 1/2" - 12" | |
| Class | Figure # | |
| Pressures | 150 | 256F150FS |
| 300 | 256F300FS | |
| 600 | 256F600FS | |
| Material | A216 WCB | |
| Ends | Flanged | |
| Trim | TFM 1600 Seats; 316 Stainless Steel Trim; Low Emission Graphite Packing - 100 ppm; NACE MR0103; API 607 Fire Safe Design | |
| Features | ABS Certified; Locking Device; ISO 5211; Anti-Static Device; Pressure Relief Vent on Ball; Lever & Worm Gear; HNBR O-Rings on All 600# Designs | |

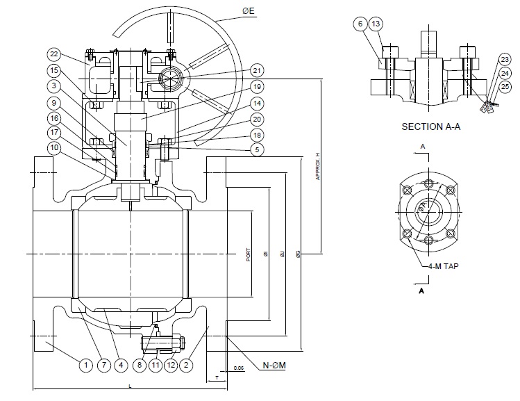
| NO | PART NAME | QTY | MATERIAL | REMARKS |
|---|---|---|---|---|
| 1 | BODY | 1 | A216-WCB | |
| 2 | CAP | 1 | A216-WCB | |
| 3 | STEM | 1 | 17-4PH | |
| 4 | BALL | 1 | A351-CF8M | |
| 5 | GLAND RING | 1 | A276-316 | |
| 6 | GLAND FLANGE | 1 | A351-CF8 | |
| 7 | SEAT RING | 2 | TFM1600 | |
| 8 | GASKET | 1 | SPW316+Graphite | |
| 9 | GLAND PACKING | 1S | Teadit 2236+Expanded Graphite | |
| 10 | THRUST WASHER | 1 | RTFE | |
| 11 | CAP BOLT | 1S | A193-B7M | |
| 12 | CAP NUT | 1S | A194-2HM | |
| 13 | GLAND BOLT | 2 | A193-B8 | |
| 14 | YOKE | 2 | AISI 1020 | Zn Plated |
| 15 | YOKE BOLT | 1S | A193-B8 | |
| 16 | O-RING | 1 | HNBR | |
| 17 | STEM BEARING | 1 | PTFE | |
| 18 | GLAND BEARING | 1 | PTFE | |
| 19 | COUPLING | 1 | A479-410 | |
| 20 | MOUNTING BOLT | 1S | A193-B8 | |
| 21 | KEY | 1 | AISI 1045 | |
| 22 | GEAR BOX | 1 | A536 | |
| 23 | FIRE SAFE TAG | 1 | PVC | |
| 24 | NACE TAG | 1 | PVC | |
| 25 | LOW EMISSION TAG | 1 | SS |

| SIZE | PORT | L | ØE | H | ØI | ØJ | ØG | T | N | ØM | OD | Ød | H1 | h1 | h2 | Weight (lbs) | CV (GPM) | Torque (Ibf.in) | Body Bolts Torque (Ibf.in) |
|---|---|---|---|---|---|---|---|---|---|---|---|---|---|---|---|---|---|---|---|
| 10" | 10 | 21 | 27.95 | 19.49 | 12.75 | 14.25 | 16 | 1.19 | 12 | 1.0" | 2952 | 2.165 | 1.968 | 0.393 | 0.393 | 454.15 | 14590 | 9653 | 38880 |
NOTE: The information and data in this product data sheet is provided on this website as a general guide only. The information and data displayed are accurate to the best of our knowledge, and may be revised at any time without notice. Ohio Valve Company assumes no responsibility for the accuracy of this information as displayed on this website. Contact Ohio Valve Company directly for the most current product dimensional data and general assembly drawings.

OVC General Products Catalog
Created as a desktop reference manual, our OVC General Products catalog provides an in-depth look at our entire product line, complete with design details and the registration numbers needed to get accurate quotes with our sales team or buy online at iValco.com.
