DESIGN FEATURES
| Sizes | 1/4" - 2" | |
| Class | Figure | |
| Pressures | 3600 WOG | 3266HP & 3266HPW |
| 3600 WOG | 3256HP & 3256HPW | |
| 6000 WOG | 6266HP | |
| 6000 WOG | 6256HP | |
| Material | CF8M & WCB | |
| Ends | Threaded & Socketweld | |
| Trim | Sealwelded Body Design; 316 Stainless Steel Trim; Graphite Packing & Seal; PEEK Seats | |
| Features | Slide Latch Locking Device; Fire Safe; NACE MR0175; ISO 5211 Mounting Pad; 250 PSIG Saturated Steam Rating | |

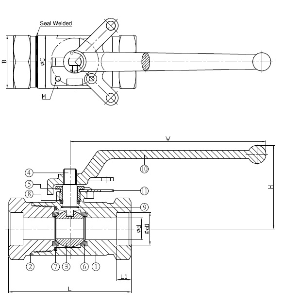
| ITEM | PARTS | MATERIAL |
|---|---|---|
| 1 | BODY | ASTM A351-CF8M |
| 2 | CAP | ASTM A351-CF8M |
| 3 | BALL | 17-4PH |
| 4 | STEM | 17-4PH |
| 5 | GLAND NUT | AISI 304 |
| 6 | SEAT | PEEK |
| 7 | SEAL | GRAPHITE |
| 8 | PACKING | GRAPHITE |
| 9 | THRUST WASHER | CTFE |
| 10 | HANDLE | AISI 304 |
| 11 | LOCK PAD | AISI 304 |

| Size (NPS) | d | d1 | B | C | L | L1 | H | W | M | ISO 5211 | Torque (in-lb) | Weight (lb) |
|---|---|---|---|---|---|---|---|---|---|---|---|---|
| 1/4" | 0.25 | 0.57 | 1.26 | 1.54 | 3 | 0.39 | 2.23 | 5.59 | M5*P0.8 | F03 | 84.1 | 1.5 |
| 1/2" | 0.5 | 0.87 | 1.26 | 1.54 | 4 | 0.39 | 2.23 | 5.59 | M5 P0.8 | F03 | 84.1 | 1.8 |
| 3/4" | 0.75 | 1.08 | 1.85 | 1.85 | 4.25 | 0.51 | 3 | 6.81 | M5*P0.8 | F04 | 247.8 | 2.9 |
| 1" | 1 | 1.34 | 1.89 | 2.35 | 4.49 | 0.51 | 3.01 | 6.81 | M5 P0.8 | F04 | 294.7 | 4.2 |
| 1 1/2" | 1.5 | 1.93 | 3.03 | 3.39 | 5.28 | 0.51 | 4.61 | 9.74 | M8 P1.25 | F07 | 469.1 | 10.8 |
| 2" | 2 | 2.42 | 3.23 | 4.17 | 6.22 | 0.63 | 4.88 | 9.74 | M8*P1.25 | F07 | 632.8 | 15.2 |
NOTE: The information and data in this product data sheet is provided on this website as a general guide only. The information and data displayed are accurate to the best of our knowledge, and may be revised at any time without notice. Ohio Valve Company assumes no responsibility for the accuracy of this information as displayed on this website. Contact Ohio Valve Company directly for the most current product dimensional data and general assembly drawings.

OVC General Products Catalog
Created as a desktop reference manual, our OVC General Products catalog provides an in-depth look at our entire product line, complete with design details and the registration numbers needed to get accurate quotes with our sales team or buy online at iValco.com.

