
DESIGN FEATURES
- API 609 Category A Compliant
- MSS SP67 Type 1 Compliant
- API 598 Certified
- NSF 61 & NSF 372 Certified
- ISO 5211 Mounting Pad
- Pinless Stem to Disc Design
- Dead End Service
- Lever & Gear Operator
- 250 – 300 PSI Pressure Rating (up through 24″)
| Sizes | 2" - 24" | |
| Ends | Figure # | |
| Series | Lug | 4833, 4832 |
| Wafer | 4133, 4132 | |
| Operator | Lever & Gear | |
| Pressure | 250-300 PSI Rated (up through 24") | |
| Dead End Service | 300 PSI through 12" | |
| 250 PSI through 14" - 24" | ||
| *200 PSI through 14" - 24" for Viton Vulcanized Seat | ||
| Disc Material Offerings | Ductile Iron with Ni-Coating; 316 Stainless Steel; Aluminum Bronze | |
| Vulcanized Seat Offerings | EPDM; Buna-N, Viton* | |
| Design Standard | API 609 Category A / MSS SP67 Type 1 Compliant | |
| Pinless Stem to Disc Design | ||
| End Design | ASME B16.42 | |
| Top Flange | ISO 5211 | |
| Test Standard | API 598 Certified | |
| Potable Water & Lead Free | NSF 61 & NSF 372 Certified | |

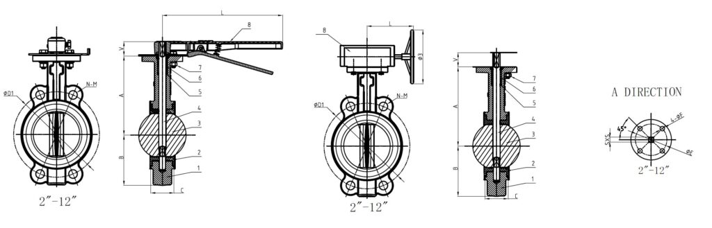
| ITEM | PARTS | MATERIAL |
|---|---|---|
| 1 | BODY | DI |
| 2 | SEAT | EPDM / BUNA |
| 3 | DISC | DI / SS316 / AL-BRONZE |
| 4 | STEM | 2 - 14": SS420; ONE-PIECE STEM DESIGN |
| 16" - 24": SS420; TWO-PIECE STEM DESIGN | ||
| 5 | O-RING | EPDM / BUNA |
| 6 | BUSHING | NYLON 1010 |
| 7 | HEX BOLT | CARBON STEEL |
| 8 | LEVER/GEAR | DI |

| ITEM | PARTS | MATERIALS |
|---|---|---|
| 1 | BODY | DI |
| 2 | SEAT | VITON |
| 3 | DISC | DI / SS316 / AL-BRONZE |
| 4 | STEM | 22420 |
| 5 | O-RING | VITON |
| 6 | BUSING | NYLON 1010 |
| 7 | HEX BOLT | CARBON STEEL |
| 8 | LEVER/GEAR | DI |

| INCH | A | B | C | V | ØD | ØD1 | N-M | BOLT LENGTH | Ø3 | ØE | ØF | S | Ø2 | LEVER/GEAR | T | G | TORQUE | ||
| GEAR | L | WEIGHT LBS | DRY/IN. LBS | WET/IN. LBS | |||||||||||||||
| 2 | 5.53 | 2.54 | 1.69 | 1.18 | 2.12 | 4.744 | 4-5/8"-11 | 4.44 | 5.9 | 2.756 | 0.39 | 0.35 | - | 10.5/6.22 | 6.94/11.72 | - | - | 251 | 156 |
| 2.5 | 6.02 | 2.83 | 1.81 | 1.16 | 2.57 | 5.492 | 4-5/8"-11 | 4.81 | 5.9 | 2.756 | 0.39 | 0.35 | - | 10.5/6.22 | 7.99/12.76 | - | - | 338 | 178 |
| 3 | 6.2 | 3.38 | 1.81 | 1.18 | 3.14 | 6.004 | 4-5/8"-11 | 5.06 | 5.9 | 2.756 | 0.39 | 0.35 | - | 10.5/6.22 | 8.72/13.49 | - | - | 452 | 239 |
| 4 | 6.93 | 3.94 | 2.05 | 1.18 | 4.13 | 7.5 | 8-5/8"-11 | 5.3 | 5.9 | 2.756 | 0.39 | 0.43 | - | 10.5/6.22 | 10.97/15.75 | - | - | 753 | 412 |
| 5 | 7.52 | 4.41 | 2.2 | 1.18 | 5.12 | 8.504 | 8-3/4"-10 | 5.45 | 5.9 | 2.756 | 0.39 | 0.55 | - | 10.5/6.22 | 13.42/18.19 | - | - | 641 | 1118 |
| 6 | 7.97 | 5.04 | 2.2 | 1.18 | 6.14 | 9.508 | 8-3/4"-10 | 5.7 | 5.9 | 2.756 | 0.39 | 0.55 | - | 10.5/6.22 | 17.39/22.18 | - | - | 1056 | 1802 |
| 8 | 9.59 | 6.38 | 2.36 | 1.57 | 8.14 | 11.752 | 8-3/4"-10 | 6.11 | 11.8 | 4.016 | 0.47 | 0.67 | - | 14.01/9.41 | 31.55/44.55 | - | - | 1988 | 3416 |
| 10 | 10.75 | 7.64 | 2.68 | 1.57 | 9.97 | 14.252 | 12-7/8"-9 | 6.68 | 11.8 | 4.016 | 0.47 | 0.87 | - | 19.3/9.41 | 44.12/57.09 | - | - | 3345 | 5685 |
| 12 | 12.24 | 8.78 | 3.07 | 1.57 | 11.88 | 17.008 | 12-7/8"-9 | 7.32 | 11.8 | 4.016 | 0.47 | 0.87 | - | 19.3/9.01 | 64.6/84.29 | - | - | 8273 | 5074 |
| 14 | 13.39 | 10.51 | 3.07 | 1.77 | 13.15 | 18.74 | 12-1"-8 | 7.57 | 11.8 | 4.921 | 0.55 | - | 1.244 | 9.01 | 106.15 | 0.87 | 1.244 | 6327 | 9491 |
| 16 | 15.75 | 12.6 | 4.02 | 1.89 | 15.34 | 21.24 | 16-1/8" | 8.77 | 14.96 | 5.512 | 0.71 | - | 1.307 | 11.34 | 214.34 | 1.062 | 1.307 | 8685 | 13035 |
| 18 | 16.61 | 13.58 | 4.49 | 1.89 | 17.36 | 22.756 | 16-1 1/8"-7 | 9.49 | 14.96 | 5.512 | 0.71 | - | 1.5 | 11.34 | 250.53 | 1.062 | 1.5 | 17464 | 11643 |
| 20 | 18.9 | 14.96 | 5 | 2.76 | 19.39 | 25 | 20-1 1/8"-7 | 10.5 | 11.8 | 6.496 | 0.87 | - | 1.62 | 8.46 | 349.26 | 1.26 | 1.62 | 15531 | 23307 |
| 24 | 22.13 | 17.36 | 6.06 | 2.76 | 23.34 | 29.508 | 20-1 1/4"-7 | 12.06 | 14.96 | 6.496 | 0.87 | - | 1.994 | 8.46 | 555.91 | 1.417 | 1.994 | 24285 | 36424 |

| INCH | A | B | C | V | ØD1 | N-M | BOLT LENGTH | Ø3 (GEAR) | ØE | ØF | □ S | L | WEIGHT/lbs | TORQUE DRY (in·lbs) | TORQUE WET (in·lbs) |
|---|---|---|---|---|---|---|---|---|---|---|---|---|---|---|---|
| 2" | 5.53 | 2.54 | 1.69 | 1.18 | 4.744 | 4-5/8"-11 | 4.44 | 5.9 | 2.756 | 0.39 | 0.35 | 10.5 /6.22 | 6.94 /11.72 | 251 | 156 |
| 2.5" | 6.02 | 2.83 | 1.81 | 1.18 | 5.492 | 4-5/8"-11 | 4.81 | 5.9 | 2.756 | 0.39 | 0.35 | 10.5 /6.22 | 7.99 /12.76 | 338 | 178 |
| 3" | 6.2 | 3.38 | 1.81 | 1.18 | 6.004 | 4-5/8"-11 | 5.06 | 5.9 | 2.756 | 0.39 | 0.35 | 10.5 /6.22 | 8.72 /13.49 | 452 | 239 |
| 4" | 6.93 | 3.94 | 2.05 | 1.18 | 7.5 | 8-5/8"-11 | 5.3 | 5.9 | 2.756 | 0.39 | 0.43 | 10.5 /6.22 | 10.97 /15.75 | 753 | 412 |
| 5" | 7.52 | 4.41 | 2.2 | 1.18 | 8.504 | 8-3/4"-10 | 5.45 | 5.9 | 2.756 | 0.39 | 0.55 | 10.5 /6.22 | 13.42 /18.19 | 1118 | 641 |
| 6" | 7.97 | 5.04 | 2.2 | 1.18 | 9.508 | 8-3/4"-10 | 5.7 | 5.9 | 2.756 | 0.39 | 0.55 | 10.5 /6.22 | 17.39 /22.18 | 1802 | 1056 |
| 8" | 9.59 | 6.38 | 2.36 | 1.57 | 11.752 | 8-3/4"-10 | 6.11 | 11.8 | 4.016 | 0.47 | 0.67 | 14.01 /9.41 | 31.55 /44.55 | 3416 | 1988 |
| 10" | 10.75 | 7.64 | 2.68 | 1.57 | 14.252 | 12-7/8"-9 | 6.68 | 11.8 | 4.016 | 0.47 | 0.87 | 19.3 /9.41 | 44.12 /57.091 | 5685 | 3345 |
| 12" | 12.24 | 8.78 | 3.07 | 1.57 | 17.008 | 12-7/8"-9 | 7.32 | 11.8 | 4.016 | 0.47 | 0.87 | 19.3 /9.01 | 64.6 /84.29 | 8273 | 5074 |
- OVC Resilient Seated Butterfly Valve Design Comparison Chart
- IOM Manual (Contact Us)
- Data Sheet (Contact Us)
- General Assembly Drawing (GAD) (Contact Us)
NOTE: The information and data in this product data sheet is provided on this website as a general guide only. The information and data displayed are accurate to the best of our knowledge, and may be revised at any time without notice. Ohio Valve Company assumes no responsibility for the accuracy of this information as displayed on this website. Contact Ohio Valve Company directly for the most current product dimensional data and general assembly drawings.

OVC General Products Catalog
Created as a desktop reference manual, our OVC General Products catalog provides an in-depth look at our entire product line, complete with design details and the registration numbers needed to get accurate quotes with our sales team or buy online at iValco.com.
DOWNLOAD PDF
