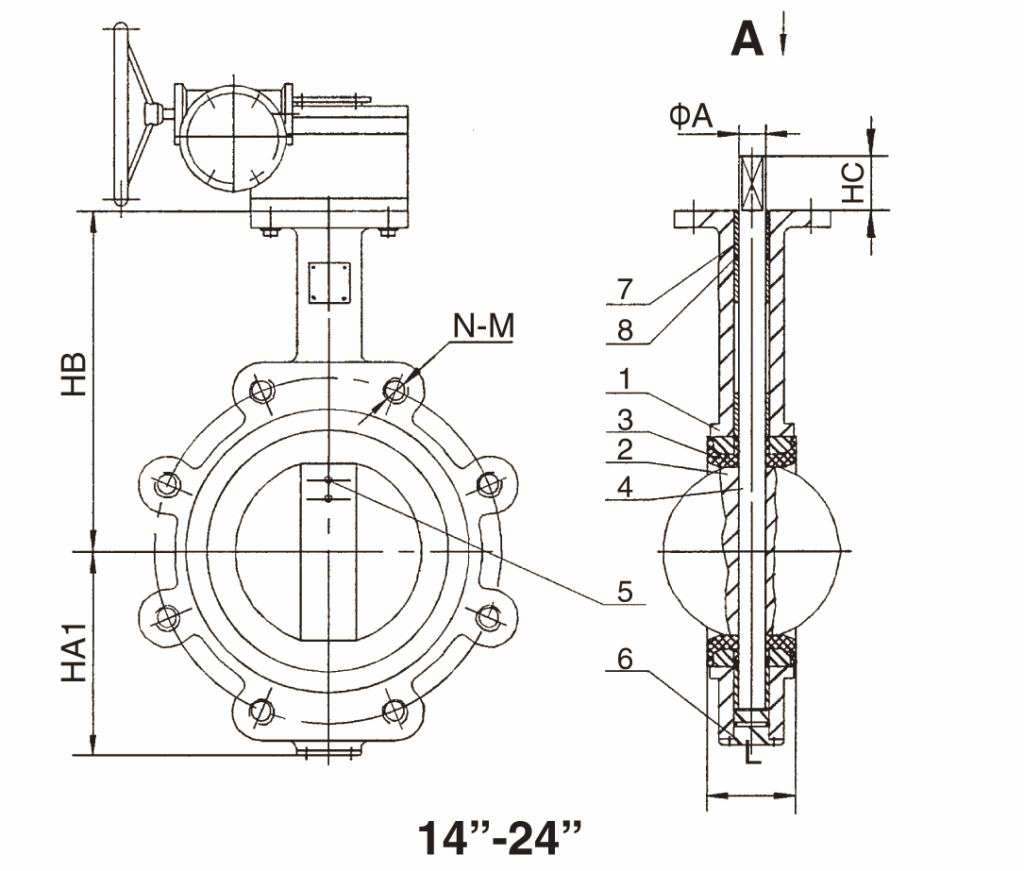
DESIGN FEATURES
Sizes | 2" - 48" | |
Ends | Figure # | |
Series | Lug | 4800, 4802 |
Wafer | 4100 | |
Operator | Lever & Gear | |
Pressure | 200 PSI Rated | |
Dead End Service | 200 PSI through 48" | |
Disc Material Offerings | Ductile Iron with Ni-Coating; 316 Stainless Steel; Aluminum Bronze | |
Cartridge Seat Offerings | EPDN; Buna-N; Viton; Teflon | |
Design Standard | API 609 Cat. A / MSS SP67 Type 1 Compliant | |
End Design | ASME B16.42 | |
Top Flange | ISO 5211 | |
Test Standard | API 598 Certified | |
Potable Water & Lead Free | NSF 61 & NSF 372 Certified |



OVC General Products Catalog
Created as a desktop reference manual, our OVC General Products catalog provides an in-depth look at our entire product line, complete with design details and the registration numbers needed to get accurate quotes with our sales team or buy online at iValco.com.