4802
Ductile Iron Resilient Seated Butterfly Valve, Cartridge Seat, Lug Series
Resilient Seated Butterfly Valve Cartridge Design
DESIGN FEATURES
  • API 609 Category A Compliant
  • MSS SP67 Type 1 Compliant
  • API 598 Certified
  • NSF 61 & NSF 372 Certified
  • ISO 5211 Mounting Pad
  • Dead End Service
  • Lever & Gear Operator
  • 200 PSI Pressure Rating
Sizes 2" - 48"
Ends Figure #
Series Lug 4800, 4802
Wafer 4100
Operator Lever & Gear
Pressure 200 PSI Rated
Dead End Service 200 PSI through 48"
Disc Material Offerings Ductile Iron with Ni-Coating; 316 Stainless Steel; Aluminum Bronze
Cartridge Seat Offerings EPDN; Buna-N; Viton; Teflon
Design Standard API 609 Cat. A / MSS SP67 Type 1 Compliant
End Design ASME B16.42
Top Flange ISO 5211
Test Standard API 598 Certified
Potable Water & Lead Free NSF 61 & NSF 372 Certified
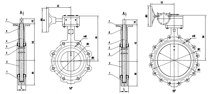
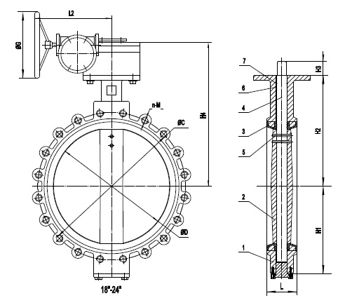
NO. PART NAME MATERIAL
1 BODY ASTM A536 65-45-12
2 DISC ASTM A536 65-45-12; ASTM A351 CF8M; ASTM A351 CF8; ASTM B148 C95400
3 SEAT EPDM/BUNA-N/VITON
4 STEM ASTM A276 416; ASTM A276 431
5 TAPER PIN ASTM A276 316
6 BUSHING TEFLON
7 O-RING EPDM/BUNA-N/VITON
SIZE (NPS) H1 H2 H3 H4 L ØA ØC N-M ØE ØB ØF S ØG ØD L2
14" 11.024 14.488 1.772 17.559 3.06 1.252 18.74 12-1"-8 4.921 4.016 0.492 0.945 11.811 13.134 9.016
16" 11.969 15.748 2.008 19.882 4 1.311 21.24 16-1"-8 6.89 5.512 0.709 1.063 11.811 15.339 11.732
18" 14.254 16.732 2.008 20.866 4.5 1.496 22.756 16-1 1/8"-7 6.89 5.512 0.709 1.063 11.811 17.343 11.732
20" 14.646 19.016 2.52 23.858 5 1.62 25 20-1 1/8"-7 6.89 5.512 0.709 1.26 14.961 19.358 12.795
24" 17.48 22.126 2.756 27.323 6.06 1.994 29.508 20-1 1/4"-7 11.811 10 0.709 1.417 14.961 23.335 14.685

NOTE: The information and data in this product data sheet is provided on this website as a general guide only. The information and data displayed are accurate to the best of our knowledge, and may be revised at any time without notice. Ohio Valve Company assumes no responsibility for the accuracy of this information as displayed on this website. Contact Ohio Valve Company directly for the most current product dimensional data and general assembly drawings.

OVC General Products Catalog

Created as a desktop reference manual, our OVC General Products catalog provides an in-depth look at our entire product line, complete with design details and the registration numbers needed to get accurate quotes with our sales team or buy online at iValco.com.

DOWNLOAD PDF