GAN300FE
API 602 Forged Carbon Steel Gate Valve, Flanged Ends, Class 300
DESIGN FEATURES
| Sizes | 1/4" - 2" | |
| Class | Figure # | |
| Pressures | 150# | GAN150FE |
| GLN150FE | ||
| SCN150FE | ||
| PCN150FE | ||
| 300# | GAN300FE | |
| GLN300FE | ||
| SCN300FE | ||
| Connection | Bolted Bonnet | |
| Material | A105N | |
| Ends | Flanged | |
| Trim | API Trim 8; NACE MR0103 & MR0175; Graphite Packing & Gasket to API 622 Low-Emission - 100 ppm | |
| Features | API 602 Design Standard | |
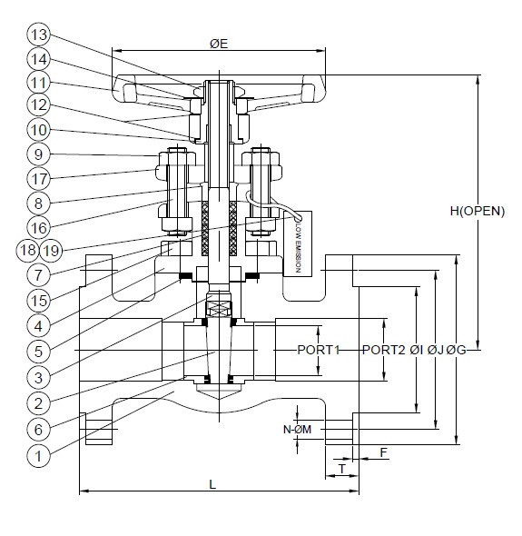
| NO. | PART NAME | MATERIAL |
|---|---|---|
| 1 | BODY | ASTM A105N |
| 2 | WEDGE | ASTM A182 Gr.F6a |
| 3 | STEM | ASTM A182 Gr.F6a |
| 4 | BONNET | ASTM A105N |
| 5 | BODY SEAL | SS 304+GRAPHITE SW |
| 6 | SEAT RING | ASTM A276 Gr.410+STL#6 |
| 7 | STEM PACKING | API 622 GRAPHITE |
| 8 | GLAND | ASTM A276 Gr.410 |
| 9 | GLAND NUT | ASTM A194 Gr.2HM |
| 10 | YOKE SLEEVE | ASTM A276 Gr.410 |
| 11 | HANDWHEEL | ASTM A197 |
| 12 | HANDLE WASHER | STAINLESS STEEL |
| 13 | H.W.NUT | ASTM A194 Gr.2HM |
| 14 | NAMEPLATE | SS304 |
| 15 | BODY BOLT | ASTM A193 Gr.B7M |
| 16 | GLAND BOLT | ASTM A193 Gr.B7M |
| 17 | GLAND FLANGE | ASTM A105N |
| 18 | LOW EMISSION TAG | ALUMINUM |
| 19 | CABLE TIE | SS WIRE |
| SIZE | PORT1 | PORT2 | L | ØE | H | ØG | ØJ | ØI | T | N | ØM | Weight (lbs) | Torque (Ibf.in) | CV (GPM) |
|---|---|---|---|---|---|---|---|---|---|---|---|---|---|---|
| 1/2" | 0.37 | 0.59 | 5.5 | 3.94 | 5.04 | 3.75 | 2.62 | 1.38 | 0.57 | 4 | 5/8" | 6.9 | 554.1 | 5.5 |
| 3/4" | 0.5 | 0.79 | 6 | 3.94 | 5.18 | 4.62 | 3.25 | 1.69 | 0.63 | 4 | 3/4" | 9.5 | 554.1 | 12 |
| 1" | 0.69 | 0.98 | 6.5 | 4.72 | 6.04 | 4.88 | 3.5 | 2 | 0.69 | 4 | 3/4" | 13.1 | 664.9 | 27 |
| 1-1/4" | 0.91 | 1.26 | 7 | 5.91 | 8.81 | 5.25 | 3.88 | 2.5 | 0.75 | 4 | 3/4" | 19.1 | 910.2 | 79.8 |
| 1-1/2" | 1.13 | 1.57 | 7.5 | 5.91 | 8.39 | 6.12 | 4.5 | 2.88 | 0.83 | 4 | 7/8" | 23.7 | 941.9 | 80 |
| 2" | 1.44 | 1.97 | 8.5 | 5.91 | 9 | 6.5 | 5 | 3.62 | 0.89 | 4 | 3/4" | 30.8 | 1218.9 | 105 |
NOTE: The information and data in this product data sheet is provided on this website as a general guide only. The information and data displayed are accurate to the best of our knowledge, and may be revised at any time without notice. Ohio Valve Company assumes no responsibility for the accuracy of this information as displayed on this website. Contact Ohio Valve Company directly for the most current product dimensional data and general assembly drawings.
OVC General Products Catalog
Created as a desktop reference manual, our OVC General Products catalog provides an in-depth look at our entire product line, complete with design details and the registration numbers needed to get accurate quotes with our sales team or buy online at iValco.com.