DESIGN FEATURES
| Sizes | 1/2" - 10" | |
| Class | Figure # | |
| Pressures | 150 | 256F150 |
| 300 | 256F300 | |
| Material | A216 WCB | |
| Ends | Flanged | |
| Trim | TFM 1600 Seats; 316 Stainless Steel Trim; PTFE Packing | |
| Features | Locking Device; ISO 5211 Mounting Pad; Pressure Relief Vent on Ball; Lever & Worm Gears | |
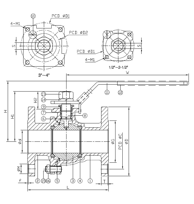
| ITEM | PARTS | MATERIAL |
|---|---|---|
| 1 | BODY | ASTM A216-WCB |
| 2 | CAP | ASTM A216-WCB |
| 3 | BALL | ASTM A351-CF8M |
| 4 | SEAT | TFM 1600 |
| 5 | SEAL | PTFE |
| 6 | THRUST WASHER | PTFE |
| 7 | PACKING | PTFE |
| 8 | STEM | ASTM A276-316 |
| 9 | GLAND NUT | AISI 304 |
| 10 | STOP PIN | AISI 304 |
| 11 | HANDLE | STAINLESS STEEL |
| 12 | HANDLE SLEEVE | PVC |
| 13 | STEM NUT | AISI 304 |
| 14 | SPRING WASHER | AISI 304 |
| 15 | STUD | ASTM A193-B7M |
| 16 | NUT | ASTM A194-2HM |
| NPS | d | G | C | D | E | H | H1 | H2 | W | T | f | S | D1 | D2 | M | M1 | ISO 5211 | Breakaway | Action |
|---|---|---|---|---|---|---|---|---|---|---|---|---|---|---|---|---|---|---|---|
| 1/2" | 0.59 | 1.38 | 2.38 | 3.5 | 4.25 | 3.37 | 2.25 | 0.93 | 6.65 | 0.31 | 0.06 | 0.31 | 1.85 | - | 0.63 | M5 | F04 | 70.8 | 44.3 |
| 3/4" | 0.79 | 1.69 | 2.75 | 3.9 | 4.61 | 3.48 | 2.36 | 0.93 | 6.65 | 0.34 | 0.06 | 0.31 | 1.65 | - | 0.63 | M5 | F04 | 88.5 | 53.1 |
| 1" | 0.98 | 2 | 3.12 | 4.25 | 5 | 4.07 | 2.91 | 1.14 | 8.07 | 0.38 | 0.06 | 0.39 | 1.97 | - | 0.63 | M6 | F05 | 106.2 | 62 |
| 1-1/4" | 1.26 | 2.5 | 3.5 | 4.61 | 5.51 | 4.25 | 3.09 | 1.14 | 8.07 | 0.44 | 0.06 | 0.39 | 1.97 | - | 0.63 | M6 | F05 | 177 | 106.2 |
| 1-1/2" | 1.5 | 2.87 | 3.88 | 5 | 6.5 | 5.06 | 4.05 | 1.55 | 10.47 | 0.5 | 0.06 | 0.47 | 2.8 | - | 0.63 | M8 | F07 | 265.5 | 159 |
| 2" | 1.97 | 3.62 | 4.75 | 5.98 | 7.01 | 5.35 | 4.35 | 1.55 | 10.47 | 0.56 | 0.06 | 0.47 | 2.76 | - | 0.75 | M8 | F07 | 354 | 212.4 |
| 2-1/2" | 2.56 | 4.12 | 5.5 | 7.01 | 7.48 | 5.81 | 4.81 | 1.52 | 11.73 | 0.62 | 0.06 | 0.47 | 2.76 | - | 0.75 | M8 | F07 | 531 | 318.6 |
| 3" | 3.15 | 5 | 6 | 7.48 | 7.99 | 6.59 | 5.59 | 1.69 | 15.35 | 0.69 | 0.06 | 0.59 | 4.02 | 2.76 | 0.75 | M10 | F10 | 796.8 | 477.9 |
| 4" | 3.94 | 6.19 | 7.5 | 9.02 | 9.02 | 7.19 | 6.18 | 1.69 | 15.35 | 0.88 | 0.06 | 0.59 | 4.02 | 2.76 | 0.75 | M10 | F10 | 1150.6 | 690.4 |
NOTE: The information and data in this product data sheet is provided on this website as a general guide only. The information and data displayed are accurate to the best of our knowledge, and may be revised at any time without notice. Ohio Valve Company assumes no responsibility for the accuracy of this information as displayed on this website. Contact Ohio Valve Company directly for the most current product dimensional data and general assembly drawings.
OVC General Products Catalog
Created as a desktop reference manual, our OVC General Products catalog provides an in-depth look at our entire product line, complete with design details and the registration numbers needed to get accurate quotes with our sales team or buy online at iValco.com.