266F150DM
Stainless Steel Full Port Ball Valve, Flanged Ends, Class 150
266F150 266F150DM 266F300
DESIGN FEATURES
  • Locking Device
  • ISO 5211 Mounting Pad
  • Pressure Relief Vent on Ball
  • Lever & Worm Gears
Sizes 1/2" - 10"
Class Figure
Pressures 150 266F150
150 266F150DM
300 266F300
Material CF8M
Ends Flanged
Trim TFM 1600 Seats; PTFE Packing
Features Locking Device; ISO 5211 Mounting Pad; Pressure Relief Vent on Ball; Lever & Worm Gears
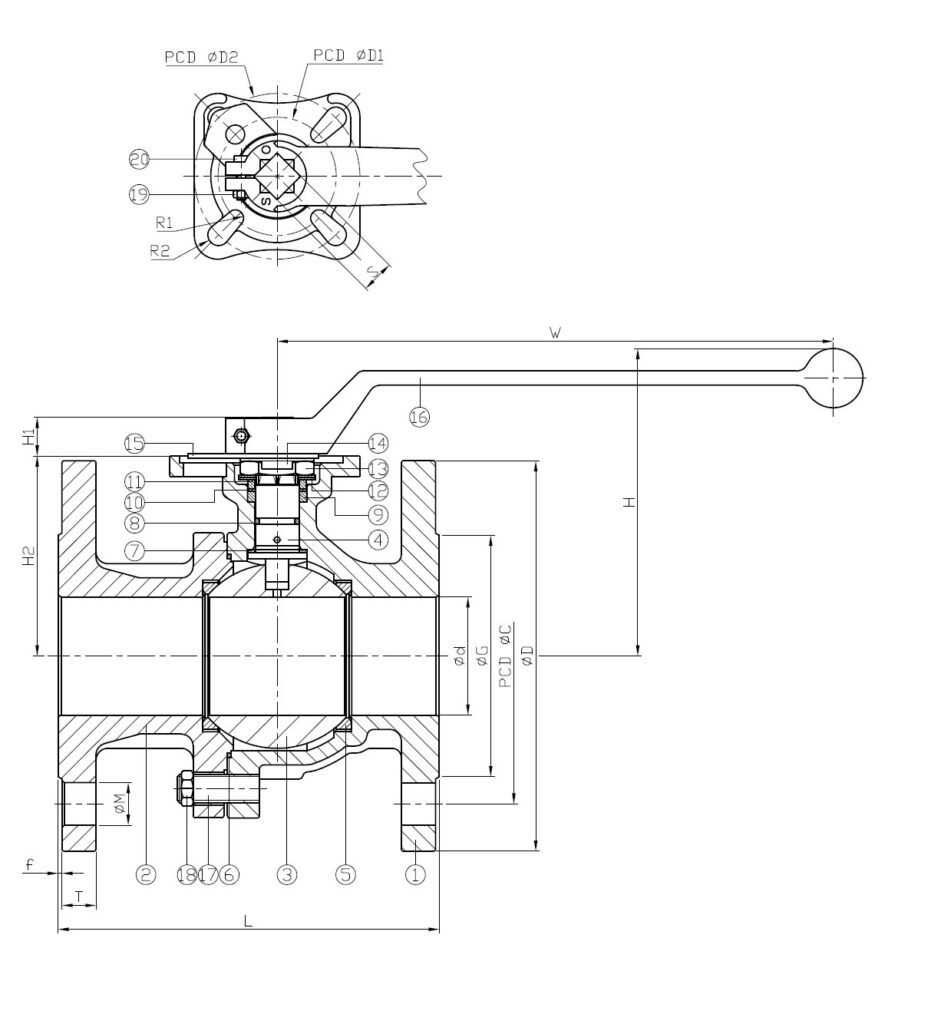
266F150DM 0.25-4 Certified Drawing
ITEM PARTS MATERIAL
1 BODY ASTM A351-CF8M
2 CAP ASTM A351-CF8M
3 BALL ASTM A351-CF8M
4 STEM ASTM A276-316
5 SEAT TFM 1600
6 SEAL GRAPHITE
7 THRUST WASHER CTFE
8 O-RING VITON
9 PACKING A GRAPHITE
10 PACKING B CTFE
11 GLAND RING AISI 304
12 BELLEVILLE WASHER AISI 301
13 NUT AISI 304
14 LOCK WASHER AISI 304
15 STOPPER AISI 304
16 HANDLE STAINLESS STEEL
17 STUD ASTM A193-B8M
18 NUT ASTM A194-8M
19 NUT AISI 304
20 BOLT AISI 304
266F150DM 6" Certified Drawing
ITEM PARTS MATERIAL
1 BODY ASTM A351-CF8M
2 CAP ASTM A315-CF8M
3 BALL ASTM A240-316
4 SEAT TFM1600
5 SEAL 316 + GRAPHITE
6 STEM ASTM A276-316
7 THRUST WASHER CTFE
8 O-RING VITON
9 PACKING A  GRAPHITE
10 PACKING B CTFE
11 GLAND RING AISI 304
12 BELLEVILLE WASHER AISI 302
13 STEM NUT AISI 304
14 LOCK WASHER AISI 304
15 FLAT WASHER AISI 304
16 HANDLE HEAD AISI 304
17 STOP PIN AISI 304
18 BOLT AISI 304
19 STUD ASTM A193-B8M
20 NUT ASTM A194-8M
21 STEEL TUBE AISI 304; CARBON STEEL
22 HANDLE SLEEVE PVC
ITEM PARTS MATERIAL
266F150DM 0.25-4 Certified Drawing
NPS d G C D L H H1 H2 W T f S D1 D2 R1 R2 M ISO 5211 Torque Breakaway (in-lb) Torque Action (in-lb)
0.5 0.59 1.38 2.38 3.5 4.25 3.35 0.33 1.99 7.48 0.31 0.06 0.35 1.42 1.65 0.11 0.11 0.63 F03/F04 71 44.3
0.75 0.79 1.69 2.75 3.9 4.61 3.52 0.33 2.17 7.48 0.34 0.06 0.35 1.42 1.65 0.11 0.11 0.63 F03/F04 88.5 53.1
1 0.94 2 3.12 4.25 5.02 3.71 0.41 2.32 7.48 0.38 0.06 0.43 1.65 1.97 0.11 0.14 0.63 F04/F05 106.2 62
1.25 1.18 2.5 3.5 4.61 5.53 3.85 0.41 2.44 7.48 0.44 0.06 0.43 1.65 1.97 0.11 0.14 0.63 F04/F05 177 106.2
1.5 1.5 2.87 3.88 5 6.5 4.76 0.55 2.09 9.25 0.5 0.06 0.55 1.97 2.76 0.14 0.18 0.63 F05/F07 265.5 159.3
2 1.97 3.62 4.75 5.98 7.01 5.11 0.55 3.33 9.25 0.56 0.06 0.55 1.97 2.76 0.14 0.18 0.75 F05/F07 354 212.4
2.5 2.52 4.12 5.5 7.01 7.5 6.15 0.67 4.11 12.8 0.62 0.06 0.67 2.76 4.02 0.18 0.22 0.75 F07/F10 531 318.6
3 2.95 5 6 7.48 7.99 6.43 0.67 4.39 12.8 0.69 0.06 0.67 2.76 4.02 0.18 0.22 0.75 F07/F10 796.6 477.9
4 3.94 6.19 7.5 9.02 9.02 7.71 0.91 5.59 12.8 0.88 0.06 0.87 4.02 4.92 0.22 0.26 0.75 F10/F12 1150.6 690.4
266F150DM 6" Certified Drawing
NPS d G C D L H H1 W T f S D1 D2 R R1 N M ISO 5211 TORQUE (IN-LB)
BREAKAWAY ACTION
6 5.94 8.5 9.5 10.98 15.51 9.96 1.08 29.82 0.94 0.06 1.06 4.02 4.92 0.22 0.26 8 0.87 F10/F12 2212.7 1327.6

NOTE: The information and data in this product data sheet is provided on this website as a general guide only. The information and data displayed are accurate to the best of our knowledge, and may be revised at any time without notice. Ohio Valve Company assumes no responsibility for the accuracy of this information as displayed on this website. Contact Ohio Valve Company directly for the most current product dimensional data and general assembly drawings.

OVC General Products Catalog

Created as a desktop reference manual, our OVC General Products catalog provides an in-depth look at our entire product line, complete with design details and the registration numbers needed to get accurate quotes with our sales team or buy online at iValco.com.

DOWNLOAD PDF